取り扱い製品
モーションコントロール.comでは、ステッピングサーボシステム(クローズドループ)、2相マイクロステップドライバ、DCサーボドライバ、アクチュエータ(ダーセン製)、ハイブリッド ステッピングモーター(ミネベアミツミ製 正規代理店)など、取り扱っております。
ハイブリッドステッピングモータ(ミネベアミツミ製)- 14PY-Z(35□ 0.9°)
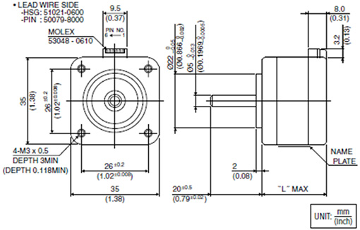
外観図


結線表
| 相(PHASE) | A | A COM | A | B | B COM | B |
|---|---|---|---|---|---|---|
| ピン番号(PIN NO.) | 4 | 5 | 6 | 3 | 2 | 1 |
仕様
<ステップ角 0.9°>
| 見積依頼型番 | 定格電流 (A) |
巻線抵抗 (Ohms) |
ホールディング トルク (mNm) |
インダク タンス (mH) |
ロータ イナーシャ (g・cm2) |
ディテント トルク (mNm) |
質量 (g) |
L (mm) |
|---|---|---|---|---|---|---|---|---|
| 14PY-Z047U | 0.8 | 2.4 | 40 | 2.4 | 8 | 2 | 120 | 26(1.02) |
| 14PY-Z064U | 0.4 | 9 | 40 | 9.3 | 8 | 2 | 120 | 26(1.02) |
| 14PY-Z247U | 0.8 | 1.9 | 22 | 1.2 | 5 | 1.8 | 105 | 22(0.87) |
| 14PY-Z264U | 0.4 | 7 | 22 | 4.6 | 5 | 1.8 | 105 | 22(0.87) |
| 14PY-Z047B | 0.6 | 4.8 | 55 | 9.3 | 8 | 2 | 120 | 22(0.87) |
| 14PY-Z247B | 0.6 | 3.8 | 35 | 4.6 | 5 | 1.8 | 105 | 22(0.87) |
※型番末尾 U → ドライブ方式(UNI-POLAR)
※型番末尾 B → ドライブ方式(BI-POLAR)
付属品
●モータケーブル 300mm 片側切りっぱなし
推奨ドライバ
当社独自の振動抑制機能(ミックスディケイ)を搭載した高機能・低価格の2相マイクロステップドライバです。
バイポーラ、ユニポーラの両駆動方式に対応しています。
バイポーラ、ユニポーラの両駆動方式に対応しています。
商品のことでわからないことなど、製品に詳しいスタッフが対応いたしますので、下記からお問合せ下さい。


