取り扱い製品
モーションコントロール.comでは、ステッピングサーボシステム(クローズドループ)、2相マイクロステップドライバ、DCサーボドライバ、アクチュエータ(ダーセン製)、ハイブリッド ステッピングモーター(ミネベアミツミ製 正規代理店)など、取り扱っております。
ハイブリッドステッピングモータ(ミネベアミツミ製)- 14PM-F(35□ 1.8°)
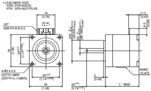
外観図


結線表
| 相(PHASE) | A | A COM | A | B | B COM | B |
|---|---|---|---|---|---|---|
| ピン番号(PIN NO.) | 4 | – | 3 | 6 | – | 1 |
仕様
<ステップ角 1.8°>
| 見積依頼型番 | 定格電流 (A) |
巻線抵抗 (Ohms) |
ホールディング トルク (mNm) |
インダク タンス (mH) |
ロータ イナーシャ (g・cm2) |
ディテント トルク (mNm) |
質量 (g) |
L (mm) |
|---|---|---|---|---|---|---|---|---|
| 14PM-F647B | 1.5 | 1.2 | 130 | 1.2 | 15 | 5.3 | 150 | 32(1.26) |
| 14PM-F150B | 1.5 | 1.8 | 230 | 2.6 | 20 | 8.2 | 180 | 36(1.42) |
| 14PM-F447B | 1.5 | 2.2 | 400 | 3.7 | 43 | 13.7 | 290 | 51(2.01) |
※型番末尾 B → ドライブ方式(BI-POLAR)
付属品
●モータケーブル 300mm 片側切りっぱなし
推奨ドライバ
当社独自の振動抑制機能(ミックスディケイ)を搭載した高機能・低価格の2相マイクロステップドライバです。
バイポーラ、ユニポーラの両駆動方式に対応しています。
バイポーラ、ユニポーラの両駆動方式に対応しています。
商品のことでわからないことなど、製品に詳しいスタッフが対応いたしますので、下記からお問合せ下さい。


