取り扱い製品
モーションコントロール.comでは、ステッピングサーボシステム(クローズドループ)、2相マイクロステップドライバ、DCサーボドライバ、アクチュエータ(ダーセン製)、ハイブリッド ステッピングモーター(ミネベアミツミ製 正規代理店)など、取り扱っております。
ハイブリッドステッピングモータ(ミネベアミツミ製)- 17PY-Z(42□ 0.9°)
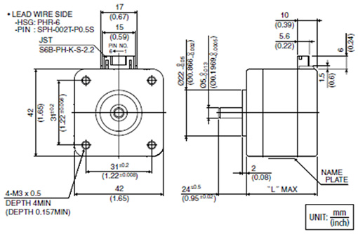
外観図


結線表
| 相(PHASE) | A | A COM | A | B | B COM | B |
|---|---|---|---|---|---|---|
| ピン番号(PIN NO.) | 4 | 5 | 6 | 3 | 2 | 1 |
仕様
<ステップ角 0.9°>
| 見積依頼型番 | 定格電流 (A) |
巻線抵抗 (Ohms) |
ホールディング トルク (mNm) |
インダク タンス (mH) |
ロータ イナーシャ (g・cm2) |
ディテント トルク (mNm) |
質量 (g) |
L (mm) |
|---|---|---|---|---|---|---|---|---|
| 17PY-Z049U | 1 | 3.1 | 220 | 4.4 | 37 | 11 | 200 | 34(1.34) |
| 17PY-Z064U | 0.6 | 8.3 | 220 | 11.1 | 37 | 11 | 200 | 34(1.34) |
| 17PY-Z142U | 1.4 | 2.3 | 300 | 4.7 | 62 | 11.8 | 300 | 42(1.65) |
| 17PY-Z149U | 1 | 4.3 | 300 | 8.7 | 62 | 11.8 | 300 | 42(1.65) |
| 17PY-Z249U | 0.8 | 2.7 | 120 | 3.8 | 24 | 4.4 | 180 | 30(1.18) |
| 17PY-Z264U | 0.6 | 6.9 | 120 | 9.7 | 24 | 4.4 | 180 | 30(1.18) |
| 17PY-Z342U | 1.4 | 2 | 280 | 3.5 | 50 | 12 | 250 | 38(1.50) |
| 17PY-Z349U | 1 | 3.6 | 280 | 6.5 | 50 | 12 | 250 | 38(1.50) |
| 17PY-Z442U | 1.4 | 2.8 | 450 | 4.5 | 75 | 18.7 | 350 | 48(1.89) |
| 17PY-Z449U | 1 | 4.9 | 450 | 8.4 | 75 | 18.7 | 350 | 48(1.89) |
| 17PY-Z749U | 0.9 | 2.2 | 48 | 1.9 | 11 | 3 | 150 | 26(1.02) |
| 17PY-Z764U | 0.6 | 5.6 | 48 | 4.9 | 11 | 3 | 150 | 26(1.02) |
| 17PY-Z049B | 0.7 | 6.2 | 270 | 17.5 | 37 | 11 | 200 | 34(1.34) |
| 17PY-Z142B | 1 | 4.6 | 390 | 18.6 | 62 | 11.8 | 300 | 42(1.65) |
| 17PY-Z249B | 0.6 | 5.4 | 160 | 15.2 | 24 | 4.4 | 180 | 30(1.18) |
| 17PY-Z342B | 0.9 | 4 | 340 | 13.8 | 50 | 12 | 250 | 38(1.50) |
| 17PY-Z442B | 0.9 | 5.6 | 540 | 18 | 75 | 18.7 | 350 | 48(1.89) |
| 17PY-Z749B | 0.6 | 4.4 | 63 | 7.8 | 11 | 3 | 150 | 26(1.02) |
※型番末尾 U → ドライブ方式(UNI-POLAR)
※型番末尾 B → ドライブ方式(BI-POLAR)
付属品
●モータケーブル 300mm 片側切りっぱなし
推奨ドライバ
当社独自の振動抑制機能(ミックスディケイ)を搭載した高機能・低価格の2相マイクロステップドライバです。
バイポーラ、ユニポーラの両駆動方式に対応しています。
バイポーラ、ユニポーラの両駆動方式に対応しています。
商品のことでわからないことなど、製品に詳しいスタッフが対応いたしますので、下記からお問合せ下さい。


