取り扱い製品
モーションコントロール.comでは、ステッピングサーボシステム(クローズドループ)、2相マイクロステップドライバ、DCサーボドライバ、アクチュエータ(ダーセン製)、ハイブリッド ステッピングモーター(ミネベアミツミ製 正規代理店)など、取り扱っております。
ハイブリッドステッピングモータ(ミネベアミツミ製)- 17PM-F(42□ 1.8°)
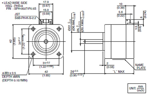
外観図


結線表
| 相(PHASE) | A | B | A | B |
|---|---|---|---|---|
| ピン番号(PIN NO.) | 4 | 6 | 3 | 1 |
仕様
<ステップ角 1.8°>
| 見積依頼型番 | 定格電流 (A) |
巻線抵抗 (Ohms) |
ホールディング トルク (mNm) |
インダク タンス (mH) |
ロータ イナーシャ (g・cm2) |
ディテント トルク (mNm) |
質量 (g) |
L (mm) |
|---|---|---|---|---|---|---|---|---|
| 17PM-F848B | 1.1 | 2.7 | 310 | 4.2 | 76 | 14.7 | 300 | 40(1.57) |
| 17PM-F856B | 0.9 | 4.7 | 310 | 6.9 | 76 | 14.7 | 300 | 40(1.57) |
| 17PM-F140B | 1.7 | 1.4 | 340 | 2.2 | 84 | 18.6 | 320 | 42(1.65) |
| 17PM-F144B | 1.4 | 2.1 | 340 | 3.3 | 84 | 18.6 | 320 | 42(1.65) |
| 17PM-F148B | 1.1 | 3 | 340 | 4.8 | 84 | 18.6 | 320 | 42(1.65) |
| 17PM-F156B | 0.9 | 5.5 | 340 | 8.5 | 84 | 18.6 | 320 | 42(1.65) |
| 17PM-F438B | 2 | 1.1 | 430 | 2.3 | 110 | 23.5 | 380 | 48(1.89) |
| 17PM-F442B | 1.6 | 1.9 | 430 | 3.8 | 110 | 23.5 | 380 | 48(1.89) |
| 17PM-F452B | 1 | 5 | 430 | 9 | 110 | 23.5 | 380 | 48(1.89) |
| 17PM-F449B | 1.2 | 3.6 | 430 | 6.9 | 110 | 23.5 | 380 | 48(1.89) |
| 17PM-FA38B | 2 | 1.8 | 690 | 3.7 | 162 | 39.2 | 510 | 60(2.36) |
| 17PM-FA49B | 1.3 | 4.5 | 690 | 9.2 | 162 | 39.2 | 510 | 60(2.36) |
※型番末尾 B → ドライブ方式(BI-POLAR)
付属品
●モータケーブル 300mm 片側切りっぱなし
商品のことでわからないことなど、製品に詳しいスタッフが対応いたしますので、下記からお問合せ下さい。


