取り扱い製品
モーションコントロール.comでは、ステッピングサーボシステム(クローズドループ)、2相マイクロステップドライバ、DCサーボドライバ、アクチュエータ(ダーセン製)、ハイブリッド ステッピングモーター(ミネベアミツミ製 正規代理店)など、取り扱っております。
ハイブリッドステッピングモータ(ミネベアミツミ製)- 23KM-K(56□ 1.8°)
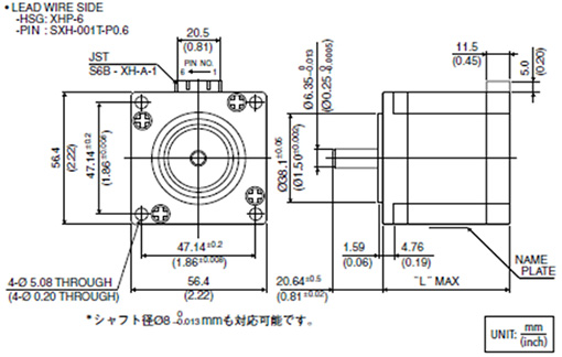
外観図


結線表
| 相(PHASE) | A | A COM | A | B | B COM | B |
|---|---|---|---|---|---|---|
| ピン番号(PIN NO.) | 1 | 2 | 3 | 4 | 5 | 6 |
仕様
<ステップ角 1.8°>
| 見積依頼型番 | 定格電流 (A) |
巻線抵抗 (Ohms) |
ホールディング トルク (mNm) |
インダク タンス (mH) |
ロータ イナーシャ (g・cm2) |
ディテント トルク (mNm) |
質量 (g) |
L (mm) |
|---|---|---|---|---|---|---|---|---|
| 23KM-K044U | 3 | 0.85 | 760 | 1.8 | 200 | 34 | 680 | 54(2.13) |
| 23KM-K055U | 1.5 | 3.3 | 760 | 6.7 | 200 | 34 | 680 | 54(2.13) |
| 23KM-K144U | 3 | 1 | 1050 | 2.2 | 290 | 49 | 900 | 66(2.60) |
| 23KM-K155U | 1.5 | 3.9 | 1050 | 8 | 290 | 49 | 900 | 66(2.60) |
| 23KM-K249U | 2 | 1.3 | 420 | 1.9 | 120 | 20 | 470 | 42(1.65) |
| 23KM-K255U | 1.5 | 2.3 | 420 | 3.6 | 120 | 20 | 470 | 42(1.65) |
| 23KM-K349U | 2 | 1.5 | 650 | 2.9 | 180 | 29 | 590 | 50(1.97) |
| 23KM-K355U | 1.5 | 2.9 | 650 | 5.5 | 180 | 29 | 590 | 50(1.97) |
| 23KM-K744U | 3 | 1.15 | 1200 | 2.7 | 360 | 50 | 1050 | 76(2.99) |
| 23KM-K755U | 1.5 | 4.6 | 1200 | 10.2 | 360 | 50 | 1050 | 76(2.99) |
| 23KM-K044B | 2.2 | 1.7 | 1000 | 7.2 | 200 | 34 | 680 | 54(2.13) |
| 23KM-K144B | 2.1 | 2 | 1250 | 8.7 | 290 | 49 | 900 | 66(2.60) |
| 23KM-K249B | 1.4 | 2.4 | 540 | 7.7 | 120 | 20 | 470 | 42(1.65) |
| 23KM-K349B | 1.4 | 3 | 800 | 11.8 | 180 | 29 | 590 | 50(1.97) |
| 23KM-K744B | 2 | 2.3 | 1500 | 10.6 | 360 | 50 | 1050 | 76(2.99) |
※型番末尾 U → ドライブ方式(UNI-POLAR)
※型番末尾 B → ドライブ方式(BI-POLAR)
付属品
●モータケーブル 300mm 片側切りっぱなし
商品のことでわからないことなど、製品に詳しいスタッフが対応いたしますので、下記からお問合せ下さい。


