取り扱い製品
モーションコントロール.comでは、ステッピングサーボシステム(クローズドループ)、2相マイクロステップドライバ、DCサーボドライバ、アクチュエータ(ダーセン製)、ハイブリッド ステッピングモーター(ミネベアミツミ製 正規代理店)など、取り扱っております。
ハイブリッドステッピングモータ(ミネベアミツミ製)- 23KM-H(56□ 1.8°)
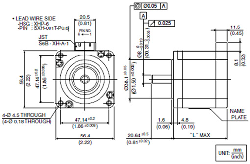
外観図


結線表
| 相(PHASE) | A | A COM | A | B | B COM | B |
|---|---|---|---|---|---|---|
| ピン番号(PIN NO.) | 1 | 2 | 3 | 4 | 5 | 6 |
仕様
<ステップ角 1.8°>
| 見積依頼型番 | 定格電流 (A) |
巻線抵抗 (Ohms) |
ホールディング トルク (mNm) |
インダク タンス (mH) |
ロータ イナーシャ (g・cm2) |
ディテント トルク (mNm) |
質量 (g) |
L (mm) |
|---|---|---|---|---|---|---|---|---|
| 23KM-H050U | 2 | 1.8 | 1000 | 4.2 | 320 | 54 | 680 | 55(2.16) |
| 23KM-H044U | 3 | 0.9 | 1000 | 1.7 | 320 | 54 | 680 | 55(2.16) |
| 23KM-H250U | 2 | 1.4 | 590 | 1.8 | 180 | 47 | 470 | 43(1.69) |
| 23KM-H244U | 3 | 0.7 | 590 | 0.9 | 180 | 47 | 470 | 43(1.69) |
| 23KM-H349U | 2 | 1.6 | 900 | 2.6 | 275 | 49 | 590 | 51(2.01) |
| 23KM-H344U | 3 | 0.8 | 900 | 1.3 | 275 | 49 | 590 | 51(2.01) |
| 23KM-H749U | 2 | 2.5 | 1620 | 5.3 | 550 | 93 | 1050 | 77(3.03) |
| 23KM-H743U | 3 | 1.2 | 1620 | 2.2 | 550 | 93 | 1050 | 77(3.03) |
| 23KM-H056B | 2 | 1.7 | 1330 | 7.3 | 320 | 54 | 680 | 55(2.16) |
| 23KM-H049B | 3 | 0.9 | 1330 | 3.7 | 320 | 54 | 680 | 55(2.16) |
| 23KM-H256B | 2 | 1.3 | 750 | 3.8 | 180 | 47 | 470 | 43(1.69) |
| 23KM-H248B | 3 | 0.6 | 750 | 1.7 | 180 | 47 | 470 | 43(1.69) |
| 23KM-H355B | 2 | 1.5 | 1020 | 5.4 | 275 | 49 | 590 | 51(2.01) |
| 23KM-H348B | 3 | 0.7 | 1020 | 2.6 | 275 | 49 | 590 | 51(2.01) |
| 23KM-H755B | 2 | 2.3 | 2200 | 10.5 | 550 | 93 | 1050 | 77(3.03) |
| 23KM-H748B | 3 | 1.2 | 2200 | 4.9 | 550 | 93 | 1050 | 77(3.03) |
※型番末尾 U → ドライブ方式(UNI-POLAR)
※型番末尾 B → ドライブ方式(BI-POLAR)
付属品
●モータケーブル 300mm 片側切りっぱなし
商品のことでわからないことなど、製品に詳しいスタッフが対応いたしますので、下記からお問合せ下さい。


