取り扱い製品
モーションコントロール.comでは、ステッピングサーボシステム(クローズドループ)、2相マイクロステップドライバ、DCサーボドライバ、アクチュエータ(ダーセン製)、ハイブリッド ステッピングモーター(ミネベアミツミ製 正規代理店)など、取り扱っております。
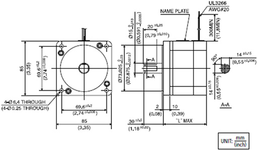
ハイブリッドステッピングモータ(ミネベアミツミ製)- 34KM-K(85□1.8°)
外観図


結線表
| 相(PHASE) | A | A COM | A | B | B COM | B |
|---|---|---|---|---|---|---|
| リード線色(L/W COLOR) | 赤(RED) | 黒(BLK) | 黄(YEL) | 青(BLU) | 白(WHT) | 橙(ORG) |
仕様
<ステップ角 1.8°>
| 見積依頼型番 | 定格電流 (A) |
巻線抵抗 (Ohms) |
ホールディング トルク (mNm) |
インダク タンス (mH) |
ロータ イナーシャ (g・cm2) |
ディテント トルク (mNm) |
質量 (g) |
L (mm) |
|---|---|---|---|---|---|---|---|---|
| 34KM-K006U | 4.8 | 0.45 | 2500 | 1.5 | 1200 | 130 | 1800 | 68(2.68) |
| 34KM-K106U | 4.8 | 0.65 | 4800 | 3 | 2400 | 240 | 2900 | 96(3.78) |
| 34KM-K206U | 4.8 | 0.85 | 6700 | 4.4 | 3700 | 340 | 4000 | 124(4.88) |
| 34KM-K006B | 3.4 | 0.9 | 3300 | 6.4 | 1200 | 130 | 1800 | 68(2.68) |
| 34KM-K106B | 3.4 | 1.3 | 6400 | 12.8 | 2400 | 240 | 2900 | 96(3.78) |
| 34KM-K206B | 3.4 | 1.7 | 9200 | 18 | 3700 | 340 | 4000 | 124(4.88) |
※型番末尾 U → ドライブ方式(UNI-POLAR)
※型番末尾 B → ドライブ方式(BI-POLAR)
付属品
●モータケーブル 300mm 片側切りっぱなし
商品のことでわからないことなど、製品に詳しいスタッフが対応いたしますので、下記からお問合せ下さい。


