ST-Servo技術製品
モーションコントロール.comの製品情報は、クローズドループステッピングサーボシステムのST-Servoシリーズになります。また、各種カスタマイズ対応を致します。
| <ST-Servo シリーズ> | <2相ステッピングモータ用 マイクロステップドライバ> |
<DCサーボドライバ> | ||
クローズドループステッピングサーボシステム - ST-Servo SPX
ST-Servo SPX
ST-Servo SPXは、バッテリーレスアブソリュートエンコーダに対応し、超小型で高性能なクローズドループ制御ステッピングサーボシステムです。
位置・速度・トルク制御に加え、押し当て制御にも対応。
ドライバはパルス列入力に対応し、RS485通信や自動プログラム運転機能を備えているため、幅広い装置制御に活用できます。
モータとドライバのセット品として提供しており、導入も容易です。
特徴
特徴1バッテリーレスアブソリュートエンコーダ対応
アブソリュートエンコーダを搭載したモータのため、原点出し動作が不要です。
装置の立ち上げ時間やトラブル時の復旧時間を無くすことが可能です。
バッテリーレスですので、定期的なバッテリー交換などの保守作業も不要です。

特徴2クローズドループ型ステッピングシステム
当社コア技術であるサーボ制御技術でエンコーダ付ステッピングモータをクローズドループ制御する事で、ステッピングモータの決定である脱調、乱調、共振、騒音現象を大幅抑制。これまでのステッピングモータの領域を超えるクローズドループ型ステッピングシステム。
高額なACサーボドライバと同じように、位置制御、速度制御、トルク制御、押し当て制御(位置、速度)が可能。
一般的なオープンループ型ステッピングシステム
弊社 クローズドループ型ステッピングシステム
特徴3トルク制御、押し当て制御(位置、速度)も可能
位置制御、速度制御、押し当て制御、トルク制御ができます。それぞれの制御モードへの切り替えも瞬時にできますのでお客様の装置に最適の制御ができます。
トルク制御
押し当て制御(位置)
押し当て制御(速度)
特徴4クローズド/デュアル/オープンが選択可能
クローズド/デュアル/オープンが選択可能
・装置内のさまざな軸に対して、3つのモードで使い分けることによって1種のモータで対応可能
・モーター選定が簡単
・最適な条件設定が可能
・装置調整が簡単
特徴5高分解能エンコーダと最適な電流制御
(1) 脱調レス
負荷に応じて最適な電流制御をおこなうため、高効率な運転ができます。
(2) 振動・共振レス
負荷に応じて最適な電流制御をおこなうため、モータの振動・共振が少ない。
(3) 静音性
エンコーダが高分解能で、負荷に応じて最適な電流制御を行う為、モータの振動が少なく静音を実現。
(4) 低発熱 負荷状態により最適に電流を制御しているため、モータの発熱が激減。 |
(5) 省エネ 負荷に応じて最適な電流制御をおこなうため、省エネである。 |
|
| ACモータ(トルクモータ)とST-servoでロープを引っ張り合い、釣り合う付近で停止させ、30分程度放置。両モータの温度・消費電力を測定 | ![]() |
負荷に応じて電流を制御するST-servoは温度・消費電流とも大幅に低い値を示している。モータサイズも□42と小さい。 |
一般的なオープン制御とST-ServoSPXでの比較
42角のモータを200rpmで2時間以上回転させたときの温度を比較
ドライバへの電源供給の電力比較も実施

特徴6瞬時電流が150%まで可能なので、高応答が可能
ステッピングモータでも弊社のST−Servoシリーズなら、トルクが不足する起動時・停止時に一定時間瞬時電流(定格電流150%)を使うことができるので、応答遅れをなくすことができます。

特徴7高分解能エンコーダの採用で高応答性を実現
高分解能な磁気式エンコーダを搭載し、エンコーダ分解能±1パルスで制御するため、位置決め精度が高い。
| モータサイズ | エンコーダ分解能 | 角度分解能 |
|---|---|---|
| □28・□42・□56 | 16,000ppr | 0.0225度 |
特徴8位置補正機能(オープンモード)を使うことで停止後のサーボ動作を抑制
エンコーダ付きST-Servoは、オープンループ駆動時でも位置補正機能により「位置偏差ゼロ停止」を実現します。
その結果、一般的なステッピングモータでは避けられない脱調を防ぎつつ、サーボ制御で問題になる移動後の振動をなくします。
| 停止位置精度 (位置補正 無) |
±1.8 | ±1.8 |
|---|---|---|
| 停止位置精度 (位置補正 有) |
±1.8°~ ±0.0225° (360/16000) |
― |
| ハンチング | 無 | 無 |
| 脱調 | 無 | 有 |
特徴9瞬時に制御方式を切り替え可能
各制御モードを外部入力により瞬時に切り替える事が可能。
(位置決め、速度、押し当て(位置)、押し当て(速度)、トルク制御)

特徴10多彩な制御インターフェース
上位システムと接続する、多彩な制御インターフェースを搭載
| 製品 | パルス列指令 | I/O | RS-485 | USBポート |
|---|---|---|---|---|
| ST-Servo CBX | ◯ | ◯ | ◯ | △(※) |
| ST-Servo CMB | × | ◯ | ◯ | △(※) |
| ST-Servo SPX | ◯ | ◯ | ◯ | △(※) |
| ST-Servo SPL | ◯ | ◯ | ◯ | △(※) |
| ST-Servo BSL | ◯ | ◯ | × | ◯ |
※ オプション変換器で接続可能
型番の見方
| セット型番 | ![]() |
仕様
| 項目 | 内容 | 備考 |
|---|---|---|
| 入力電源電圧 | DC24V ±10% | Max3A |
| 最大定格出力電流 | 3Arms | |
| 適合モータ | エンコーダ付き2相バイポーラスステッピングモータ | |
| 駆動方式 | バイポーラ定電流チョッパー方式 | |
| PWM 周波数 | 20KHz | |
| 指令最大入力周波数 | 200Kpps | オープンコレクタ又はTTL駆動 |
| 外部パルス指令入力 | 2パルス、1パルス、2相パルス | パラメータにより選択 |
| 入力信号 | 7点 (非絶縁) | パラメータにより機能割り付け 注) |
| 出力信号 | 3点 (非絶縁) | パラメータにより機能割り付け 注) |
| エンコーダ入力 | A相、B相、Z相 | ラインレシーバ |
| 通信回線 | RS485 二線式半二重通信 | 終端抵抗はスイッチでON/OFF |
| 通信プロトコル | MODBUS | ASCII/RTUは自動認識 |
| 最大接続数 | 255台 | ノードアドレスは1~255まで設定可能 |
| アラーム機能 | フルトルク、位置偏差異常(フルカウント)、電源電圧異常、過電流、その他 | ALM LEDの点滅回数で内容を判断 |
| 表示機能 | PWR(電源)、ALM(アラーム) | 2色発光LED |
| アナログモニタ機能 | 指令速度、モータ速度、位置偏差 モータトルク、指令トルク、インポジション |
|
| 外形寸法 | W80×D56×H23 | |
| 重量 | 60g | |
| 動作温度・湿度 | 0~50℃、35~80% | 結露なきこと |
| 保存温度・湿度 | -20~85℃、35~80% | 結露なきこと |
| 規格 | CEマーキング | 宣言予定 |
注)本デジタル入出力は非絶縁となっております。ケーブル長が1mを超える場合は上位側でフォトカプラによる絶縁処理を行って下さい。ドライバに付属のケーブルはシールド処理を行っておりません。
1mを超えるケーブルをご使用される場合は必ずシールド付きケーブルを使用してください。
モータトルク特性

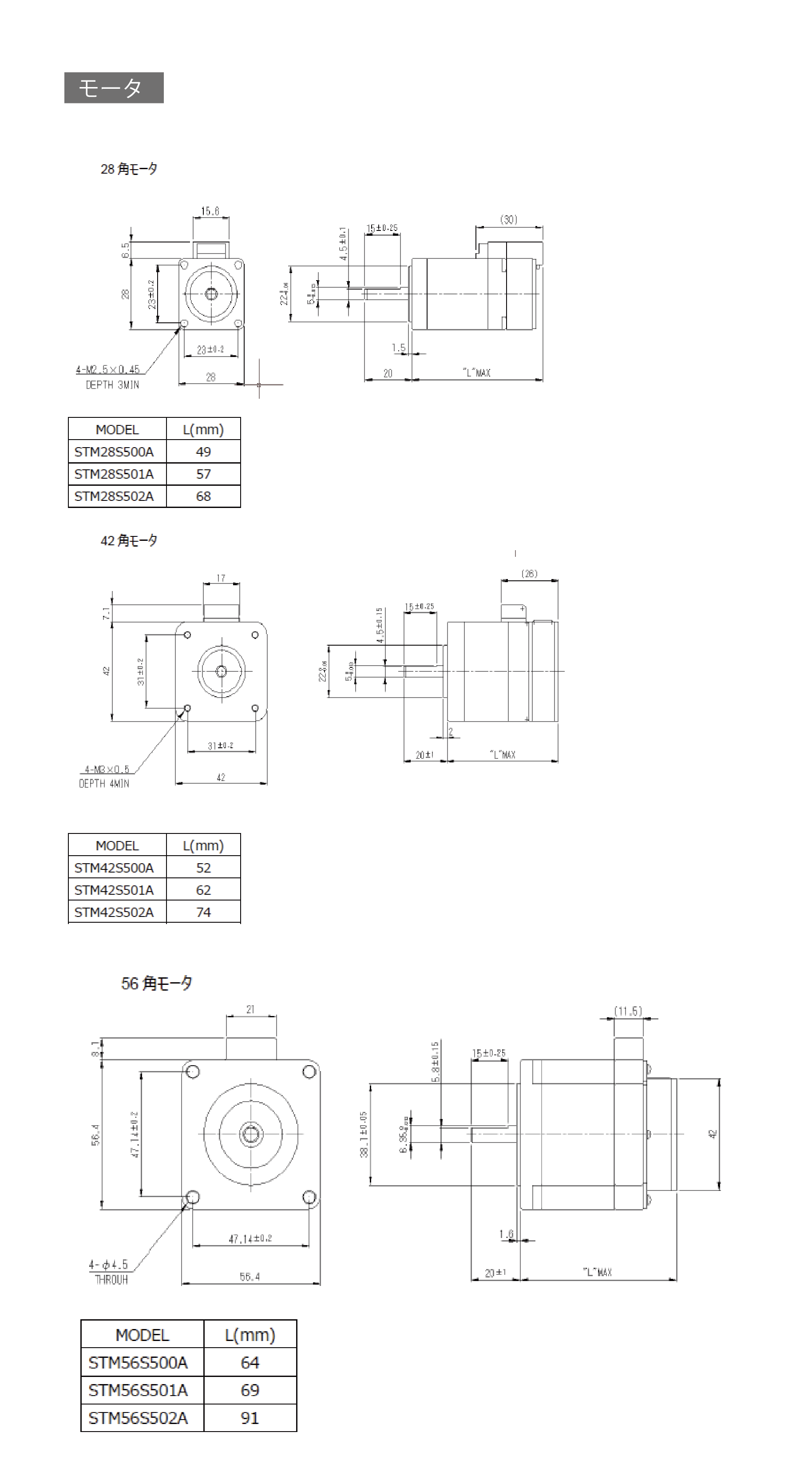
外形図


インターフェース
| No. | 信号名 | 内容 | IN/OUT |
|---|---|---|---|
| 1 | +24V | 電源プラス入力 | IN |
| 2 | 0V | 電源マイナス入力 | IN |
注意)ピーク電流による電圧降下を考慮してドライバ入力部で規定電圧になるように線径及び長さの線材を選択して下さい。(使用可能線材:AWG#26~22、電線被覆外形:1~1.5mm)
本ドライバは突入電流抑制回路を内臓しておりません。突入電流はご使用される電源の特性や配線インピーダンスに依存しますので実機で確認して下さい。その際の突入電流が10ms以上10Aを超えないように対策して下さい。電源の入り切りはDCライン側では無く、必ずACライン側で行って下さい。
| No. | 信号名 | 内容 | IN/OUT |
|---|---|---|---|
| 1 | IN1 | デジタル入力1 | IN |
| 2 | IN2 | デジタル入力2 | IN |
| 3 | IN3 | デジタル入力3 | IN |
| 4 | IN4 | デジタル入力4 | IN |
| 5 | IN5 | デジタル入力5 | IN |
| 6 | IN6/P1 | デジタル入力6又は指令パルスP1 | IN |
| 7 | IN7/P2 | デジタル入力7又は指令パルスP1 | IN |
| 8 | OUT1 | デジタル出力1 | OUT |
| 9 | OUT2 | デジタル出力2 | OUT |
| 10 | OUT3 | デジタル出力3 | OUT |
| 11 | GND | 入出力のシグナルグランド | ― |
| 12 | +5V | アナログ指令用電源 | OUT |
| 13 | Vref+ | アナログ指令プラス側 | IN |
| 14 | Vref- | アナログ指令マイナス側 | IN |
| 15 | AMON | アナログモニタ出力 | OUT |
| 16 | AGND | モニタ用GND | ― |
| No. | 信号名 | 内容 | IN/OUT |
|---|---|---|---|
| 1 | RS485 D+ | RS485信号 | IN/OUT |
| 2 | RS485 D- | ||
| 3 | SG | シグナルグランド | ― |
注意)CN485A/Bとも同電位です。どちらに接続しても通信可能です。マルチドロップでのご使用の場合には、マルチドロップ接続(デイジーチェイン)に使用してください。



